Machine a J bevel or V chamfer on a metal plate for weld edge root preparation or general edge conditioning
OMCA ART.920 J Bevel with automatic feeding for machining a J bevel or V chamfer on a metal plate for weld edge root preparation or general edge conditioning
Easily adjust the bevel angle and depth to precisely machine a J groove or V bevel for weld edge preparation
V bevel profile for OMCA ART.920 J Bevel machine
Machine the end of a plate for edge preparation using the OMCA ART.920 Bevel automatic feed machine.
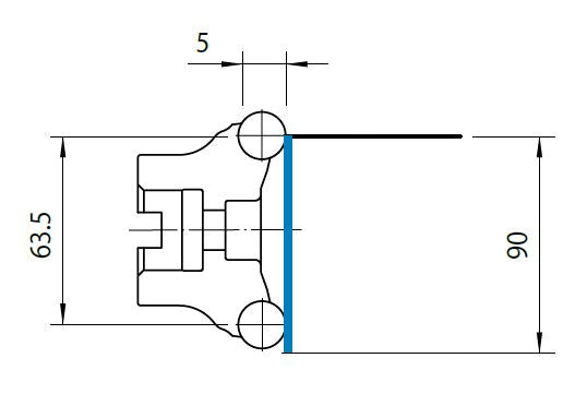
V chamfer profile for OMCA ART.920 J Bevel machine
ART920 J Bevel & V Chamfer
J groove, V chamfer, and edge bevel profile for the OMCA ART.920 J Bevel automatic feed machine
OMCA

ART920 J Bevel & V Chamfer

Regular price $36,984.79 $0.00
Shipping included for plate beveling machines

Precisely machine a J bevel or V chamfer on a metal plate for weld edge root reparation or general edge conditioning with automatic feeding up to 1.2 m/min. 

 

 ART920 J - MACHINE SPECIFICATIONS

INPUT POWER OTIONS:

120 VAC 1-Phase 60 Hz

230/240 VAC 3-Phase 60 Hz

460/480 VAC 3-Phase 60 Hz

CHAMFER DEPTH: 

55 mm, (x-axis)

90 mm, (z-axis)

CHAMFERING ANGLE: 0° - 30°
PLATE CAPABILITY OPTIONS:

8 - 100 mm   standard

8 - 200 mm

CUTTER OPTIONS:

∅80 mm  Z6 (6 ea. inserts),R=6

∅80 mm  Z7 (7 ea. inserts),R=6

∅80 mm, Z6 (6 ea. inserts) R=8

∅80 mm, Z7 (7 ea. inserts) R=8

CUTTER SPEED: Variable 0 - 900 RPM
CHAMFERING SPEED: From 0 to 1.4 m/min  (0 to 4.6 ft/min)
WORKING HEIGHT:

920 to 1100 mm

36.2 x 43.3"

WORKING DIRECTION:  
INSERTS AVAILABLE FOR: Steel, stainless steel, cast iron, aluminium, titanium, Hardox, Super Duplex, etc.
L x W x H

760 x 750 x 2100 mm

29.9 x 29.5 x 82.7"

WEIGHT: 420 kg  (920 lb)
SHIP DIMENSIONS:

2150 x 1150 x 1100 mm;   455 kg

84.6 x 45.3 x 43.3; 1001 lb

Cutting Tool Holders & Inserts

Cutting Tool Holder Cutting Tool Insert Screw
C0921K   ∅80 mm Z6/Z7 J1206K   SS R=6
J1206IK   SS R=6
 
C0920K   ∅80 mm Z6/Z7 J1606IK   SS R=8
J1606A   SS R=8
J1606AK   Al R=8
 

STD   standard
SS   stainless steel and alloys
Al   aluminum and light alloys

 

ART920 J BEVEL

 


More from this collection